jc5.c聚彩

jc5.c聚彩采购批发各种规格轻触开关,母座,插座系列.请选择东莞市颖鑫电子科技有限公司.价格优惠.质量稳定

  • 产品名称: YX-B005
  • 发布日期: 2018-03-21
  • 简要说明:
    YX-B005是一款超薄型轻触开关市面上也叫:3*3*0.75超薄型轻触开关_贴片薄膜轻触开关_SMD薄膜按键开关厂家,因为有贴膜可以防止松香进入,是数码产品控制板SMT的首选.
  • 产品详细
3*3轻触开关YX-B005产品简介
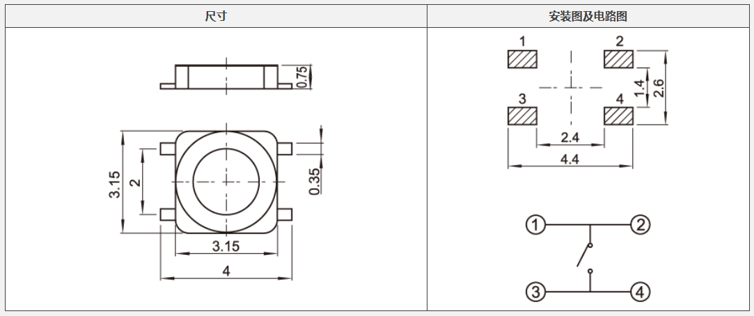
3*3*0.75超薄型轻触开关_贴片薄膜轻触开关_SMD薄膜按键开关厂家,尺寸为:长3.1mm宽3.1mm高0.75,力度有:160克和250克可选择。产品广泛运用于:各种空间较小的移动设备,数码产品

特长
1. 适用高密度安装。
2. 相对线路板,可在水平操作的卧式。
3.高可靠性的接点密封结构。
4.开关采用12mm宽度编带包装。



3*3轻触开关YX-B005尺寸图:

3*3轻触开关YX-B005用途:
1.影音产品:MP3、MP4、DVD.音响;
2.数码产品:数码相机、数码摄像机等;
3.遥控器:车辆、点卷门、家庭防盗产品之遥控器;
4.通讯产品:手机、车载话机、电话机、楼宇设备、PDA等;
5.家用电器:电视机、微波炉、电饭煲、电风、电子人体秤、电子脂肪秤、电子厨房秤等;
6.安防产品:可视对讲机、监视器等;
7.玩具:电子玩具等;
8.电脑产品:摄像头、录音笔等;
9.健身器材:跑度机、按摩椅等;
10.医疗器材:血压计、体温计、医院呼叫系统等。
11.其他:验钞笔、雷射笔等;



3*3*0.75超薄型轻触开关_贴片薄膜轻触开关_SMD薄膜按键开关厂家规格书:
工作温度范围Operating temperature range:-30℃to+85℃
额定电流Rating:50mA.12V DC
绝缘电阻Insulation resistance::100MΩ min.100V DC
介电强度Dielectric strength: 250V AC for 1 min
接触电阻Contact resistance::100m Ω max.


3*3轻触开关YX-B005别名:3*3*0.75超薄型轻触开关_贴片薄膜轻触开关_SMD薄膜按键开关厂家,如需了解更多规格参数请关注本站:http://yuzhouge.com
相关产品/RELATED PRODUCTS

颖鑫官方微信

电       话:0769-33373777  
传       真:0769-83632283    联 系  人:陈心龙(业务经理)
手       机:13827297626       QQ/微信:435281082   
邮       箱:yingxindg@126.com
地       址:东莞市樟木头镇圩镇荔苑路7号泰安城3栋810室
东莞市颖鑫电子科技有限公司 版权所有 2011-2026

颖鑫电子专业生产:防水轻触开关,带灯轻触开关,硅胶按键开关,耐高温贴片轻触开关,带支架轻触开关,母座,USB连接器