
精益求精 不断超越
微型精密轻触开关生产厂家
专注 轻触开关研发生产 · 16年行业经验
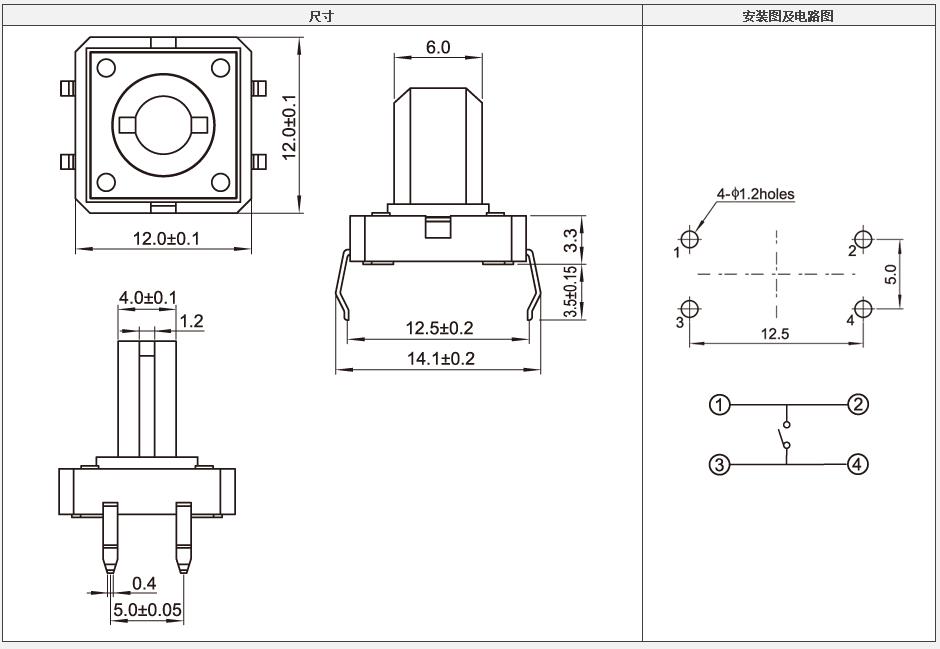
12*12轻触开关,12*12插件轻触开关,方头按键开关厂家因为尺寸为:长12mm宽12mm,因此称作12*12轻触开关。包含带定位柱、不带定位柱、柄的形状分为:圆柄和方柄,力度分为:150g、180g、250g、300g、400g等
特长

| 工作温度 | -20℃to+70℃ |
| 额定电流 | 50mA.12V DC |
| 绝缘电阻 | 100mΩ min.100V DC |
| 介电强度 | 250V AC for 1 min |
| 接触电阻 | 100mΩ max |
| 开关行程 | 0.25±0.1m |
| 高 度 | 3.5mm |
| 按 力 | 160gf/260gf |
12*12轻触开关系列使用注意事项:
jc5.c聚彩 1. 考虑清洗触摸开关时,请协商。
2. 请不要从触摸开关上面浸入助焊剂。
jc5.c聚彩 3. 请不要事前在开关端子及印刷电路板的零部件贴装面上涂助焊剂。
4. 进行第2次焊接时,应在开关回复到常温之后进行。
jc5.c聚彩 5.手工焊接电烙铁的温度时间范围:手工焊接尽量选用一些熟练的员工温度应该控制在300-345摄氏度之间,时间不得超过2秒。
6.人工浸锡焊接温度时间范围:焊接温度不要超过240摄氏度,时间不得超过2秒。
jc5.c聚彩 7 插件轻触开关波峰焊的温度时间范围:焊接温度不得超过240摄氏度时间为1.5~2秒内或者235摄氏度3~5秒
jc5.c聚彩 8. 贴片轻触开关过SMT回流焊温度时间范围:焊接温度不要超过265摄氏度,时间为1.5~2秒或者260摄氏度时间为2.5~5秒。
9.所有轻触开关产品焊接之前都要进行焊接前预热,根据实际PCB材质以及PCB板的厚度,具体根据PCB的参数去决定。
jc5.c聚彩 11. 其 他:验钞笔、雷射笔等;
|
交期保障
1、引进全自动生产设备,缩短30%交期 jc5.c聚彩 |
|
质量保障
1、专业检测团队、检测仪器,原材料入厂到生产过程全面检测,保障产品质量 |
|
售后保障
1、建立前期投诉预防机制,售后服务规范化、流程化,做好售后回访
|
更多关于:12*12轻触开关,12*12插件轻触开关,方头按键开关厂家的信息请关注本站:yuzhouge.com
颖鑫官方微信
颖鑫电子专业生产:防水轻触开关,带灯轻触开关,硅胶按键开关,耐高温贴片轻触开关,带支架轻触开关,母座,USB连接器