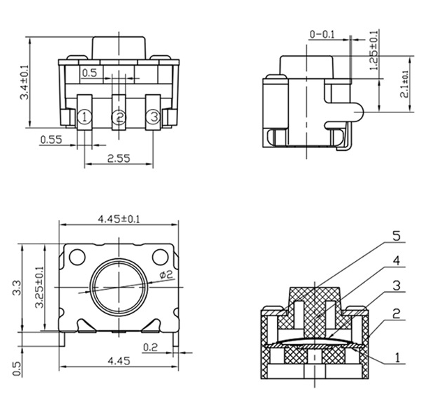
笑脸轻触开关结构图

笑脸轻触开关结构材质
1、盖板,银白色,磷铜镀银;
2、按钮,白色,LCP;
3、弹簧金属片,本色,不锈钢覆银;
4、基座,黑色,LCP;
5、端子,银白色,磷铜镀银;
工作温度范围Operating temperature range:-30℃to+85℃
额定电流Rating:50mA.12V DC
绝缘电阻Insulation resistance: 100MΩ min.100V DC
介电强度Dielectric strength: 250V AC for 1 min
接触电阻Contact resistance: 100m Ω max.
行程Travel: 0.25±0.05mm(硅胶行程 >1.0)
操作力度Operating fore:90gf/180gf /260gf/400gf
寿命Life time:50000/100000/300000cycles;
焊接条件
无铅炉温曲线标准:
1)30℃- 110℃ ;上升时间:60S
2)110 ℃ -130 ℃;上升时间:120S
3)260℃ +10℃;上升时间:3S-5S;
助焊剂的面积: 印刷基板厚度的1/2 以内
浸焊次数:2 次以内(待第一次过炉冷却后进行第二次)
印刷基板:单面铜箔
浸锡面积:260 + 10 锡焊槽法,保持2S,接线端沾锡面积应为其浸入面积的90%以上。