防水轻触开关,就是能在水中或者雨中浸洗而不会失灵的开关,防水轻触开关的好坏影响因素,主要关键在于防水轻触开关的防护性、可焊性、导通可靠性、寿命、手感、生产工艺和安装尺寸等方面因素决定。
7.2*7.2*5防水轻触开关_7*7防水轻触开关_7*7长脚防水轻触开关_防水轻触开关厂家因为尺寸为:长7.2mm宽7.2mm,四舍五入因此行业内成为7*7轻触开关。具有较好的防水性能,通常被广泛用在智能马桶!
防水轻触开关优点:
1. 可用按入式直接安装到线路板。
2.输出端子的一部分可作为跨接引线使用,电路设计简单。
3. 标准按钮可选。
4. 紧凑、超薄的表面贴装类型适合高密度安装。
5. 高可靠性的接电密封结构。
6.适应回流焊。
7.适合于高密度贴装的表面贴装类型。
8.为整机产品的小形、轻量化做出了贡献。
9.开关可以SMT编带。
防水开关的缺点:
缺点在于价格普遍会比较高,但是颖鑫电子科技有限公司专业自己厂家生产,没有中间商赚差价,可以保证最优惠的价格买到质量好的轻触开关
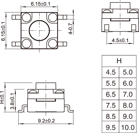
防水轻触开关尺寸图:

防水轻触开关用途:
1.影音产品:MP3、MP4、DVD.音响;
2.数码产品:数码相机、数码摄像机等;
3.遥控器:车辆、点卷门、家庭防盗产品之遥控器;
4.通讯产品:手机、车载话机、电话机、楼宇设备、PDA等;
5.家用电器:电视机、微波炉、电饭煲、电风、电子人体秤、电子脂肪秤、电子厨房秤等;
6.安防产品:可视对讲机、监视器等;
7.玩具:电子玩具等;
8.电脑产品:摄像头、录音笔等;
9.健身器材:跑度机、按摩椅等;
10.医疗器材:血压计、体温计、医院呼叫系统等。
11.其他:验钞笔、雷射笔等;
防水轻触开关厂家规格书:
工作温度范围Operating temperature range:-30℃to+85℃
额定电流Rating:50mA.12V DC
绝缘电阻Insulation resistance::100MΩ min.100V DC
介电强度Dielectric strength: 250V AC for 1 min
接触电阻Contact resistance::100m Ω max.
更多关于防水轻触开关规格书,防水轻触开关优缺点详细介绍的信息请关注:yuzhouge.com