jc5.c聚彩

采购批发各种规格轻触开关,母座,插座系列.请选择东莞市颖鑫电子科技有限公司.价格优惠.质量稳定

新闻资讯 / NEWS

16年—轻触开关厂家经验
Focused On Touch Switch

  • 全国咨询热线:
    0769-3337 3777
  • QQ在线咨询
  • 公司邮箱:
  • 公司网址:

厂家对轻触开关与拨动开关的应用

  • 发布日期:2019-09-19 12:13:31
  • 点击数:

分享到:

轻触开关的应用:
    现在各种电子设备的主要趋势是越来越微型化,而微型化则需要内部的电子元器件越来越小,就比如我们常见的耳机产品,上面需要的按键设备,就是很小的的轻触开关,特别是一些大品牌的企业电子产品,都在产品上用了轻触开关,如常规销售的蓝牙耳机系列,按键操作上面的音量+/-键就是轻触开关,这个轻触类型属于按键系列。不过蓝牙耳机的电源开关键,是贴片式的开关,两者可详细见下图:
蓝牙耳机上轻触开关的产品应用
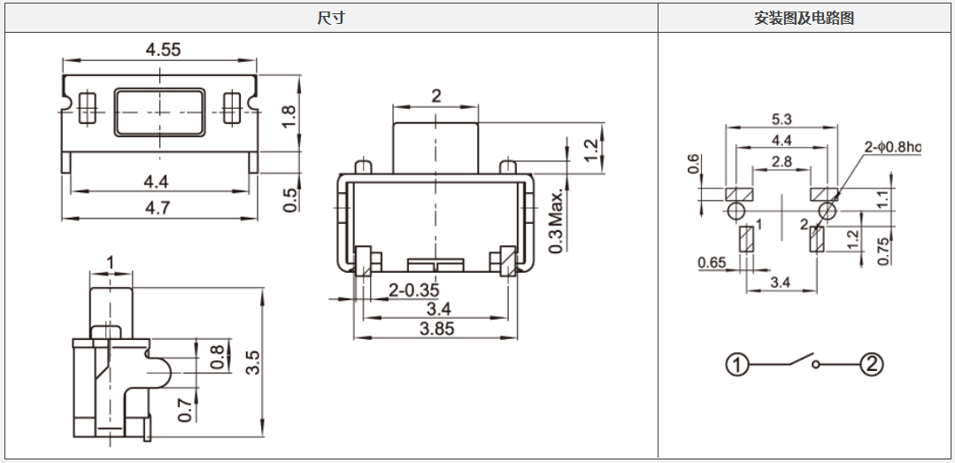
     轻触开关的产品技术在不同的公司企业应用也是不尽相同,不同尺寸的电路使用不同尺寸的轻触贴片,实际上原理并不是很复杂,下面是原理图和规格书:
轻触开关规格原理图
    由原理图可以看出,现在的产品已经可以自动化的生产,只需要调试好对应的智能设备,就可以大批量的生产不同规格电子开关,为客服提供更好的服务。
拨动开关的应用:
   说到拨动开关的应用,这个就更加广泛,基本随处可见的产品上都有拨动开关,不少深圳生产技术性公司的产品上都有拨动开关的应用,常规的是设备的启动开关,大多是两档滑动,有些需要实现多功能操作的,就有3档或者更多档。微型的拨动开关多用于玩具上,比如玩具遥控车和控制手柄开关,都是使用拨动开关。当然,也有很多智能设备会用到这个产品,比如激光切割器上的控制台等等。
智能玩具拨动开关的应用
  在电子元器件种,除了常见的轻触,拨动功能的开关,实际还有很多小配件,比如防水的USB母座,耳机连接器,这各种电子元件在深圳很多厂家都用应用。不仅寿命长,功能多,市场大,同时还价格很低,出货销售量每年都在增长的,同时传感器每年的技术研发和资讯都在不断的更新,设计也越来越高端化,从以前的手动安装到现在全自动的精密设备工作生产,质量和专业性也不断的上档次。广东省东莞市颖鑫电子科技有限公司也成立了不少的研发和品质检测中心,有客服和工程师为客户提供咨询和设计测试的合作,力求在工业领域,把产品等级做好,结构做的更先进,性能更加卓越。

颖鑫官方微信

电       话:0769-33373777  
传       真:0769-83632283    联 系  人:陈心龙(业务经理)
手       机:13827297626       QQ/微信:435281082   
邮       箱:yingxindg@126.com
地       址:东莞市樟木头镇圩镇荔苑路7号泰安城3栋810室
东莞市颖鑫电子科技有限公司 版权所有 2011-2026

颖鑫电子专业生产:防水轻触开关,带灯轻触开关,硅胶按键开关,耐高温贴片轻触开关,带支架轻触开关,母座,USB连接器