
精益求精 不断超越
微型精密轻触开关生产厂家
专注 轻触开关研发生产 · 16年行业经验
什么是防水轻触开关:防水开关顾名思义就是可以防水的轻触开关。但是不是放在水里泡。目前如果没有经过外壳密封处理。只能防水贱,更不可以在水里工作。
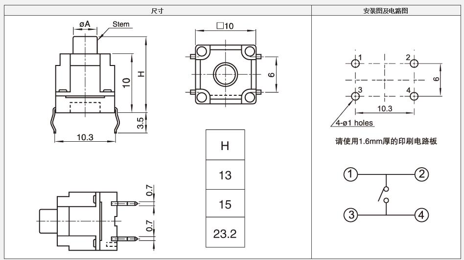
防水轻触开关图片:

防水轻触开关详细介绍:防水按键开关,水轻触开关因为具有一定的防水的功能所以称作防水轻触开关。包含带定位柱、不带定位柱、柄的形状分为:圆柄和方柄,力度分为:150g、180g、250g、300g、400g等
防水轻触开关特长:
开关供给为径向贴纸方式。
输出端子的一部分可作为跨接引线使用,电路设计简单。
标准按钮可选。
贴片式可选
工作温度 -20℃to+70℃
额定电流 50mA.12V DC
jc5.c聚彩 绝缘电阻 100mΩ min.100V DC
介电强度 250V AC for 1 min
接触电阻 100mΩ max
jc5.c聚彩 开关行程 0.25±0.1m
jc5.c聚彩 高 度 3.5mm
按 力 160gf/260gf
防水轻触开关电路图:

更多防水轻触开关信息请关注我们的网址yuzhouge.com
颖鑫官方微信
颖鑫电子专业生产:防水轻触开关,带灯轻触开关,硅胶按键开关,耐高温贴片轻触开关,带支架轻触开关,母座,USB连接器