
精益求精 不断超越
微型精密轻触开关生产厂家
专注 轻触开关研发生产 · 16年行业经验
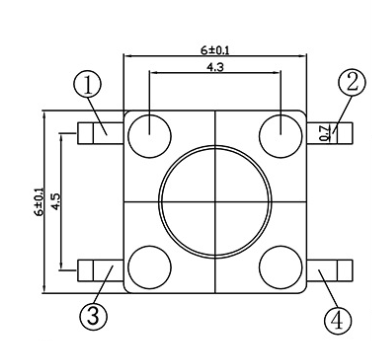
jc5.c聚彩轻触开关6x6指的是开关的外形尺寸为6毫米x6毫米。这种尺寸的轻触开关在电子设备中非常常见,适用于许多不同的应用场景。由于其适中的尺寸,它既不会占用太多空间,又能提供足够的接触面积,确保良好的电气连接。轻触开关通常由以下几个部分组成:外壳、端子、弹簧、接触桥和触摸片。当用户轻轻按下开关的按钮时,内部的接触桥会与触摸片接触,从而闭合电路;当释放按钮时,弹簧会将接触桥弹回原位,电路随即断开。

jc5.c聚彩在选择6x6轻触开关时,除了尺寸外,还需要考虑以下几个因素:

额定电流和电压:确保所选开关能够承受电路中的电流和电压要求。
jc5.c聚彩接触电阻:低接触电阻可以确保更好的电流传导效率。
jc5.c聚彩机械寿命:开关的机械寿命决定了它能够承受多少次按压操作而不失效。高质量的轻触开关通常会通过一些国际认证,如UL、CE、RoHS等,这些认证保证了产品的安全性和环保性。
jc5.c聚彩操作力:即按下开关所需的力量,应适中以便于用户操作。
jc5.c聚彩环境适应性:考虑开关是否能在特定的环境条件下正常工作,如温度、湿度等。
jc5.c聚彩安装方式:确定开关是贴片式还是插件式,以适应不同的电路板设计。
外观和颜色:根据产品的整体设计来选择开关的外观和颜色。虽然6x6轻触开关的尺寸已经确定,但不同厂家的产品在外观设计上可能会有所不同,这可能会影响到最终产品的美观性和用户的使用习惯。
颖鑫官方微信
颖鑫电子专业生产:防水轻触开关,带灯轻触开关,硅胶按键开关,耐高温贴片轻触开关,带支架轻触开关,母座,USB连接器