
精益求精 不断超越
微型精密轻触开关生产厂家
专注 轻触开关研发生产 · 16年行业经验
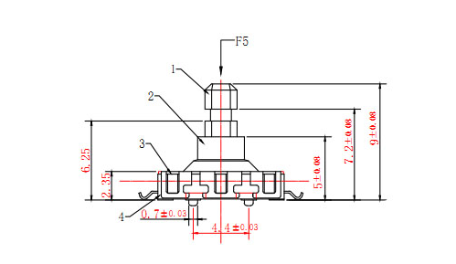
jc5.c聚彩轻触开关是可以有方向的,这种类型的轻触开关叫五向开关
什么是五向轻触开关

五向轻触开关是一种开关,具有五个不同方向的轻触功能。这意味着可以通过在不同的方向上轻触开关来实现不同的操作。例如,可以通过向上轻触来打开电灯,向下轻触来关闭电灯,向左轻触来切换电灯的亮度,向右轻触来调整电灯的颜色,向中间轻触来启动其他功能等。
五向轻触开关通常用于智能家居系统或其他应用,以提供多功能控制和操作选项。五向开关中央有一个固定的定点,也操作为公用触点,可以通过这个触点来完成断电与通电功能。五向开关大致是一个正方形,周边被一层金属外壳包裹着并对应着多个固定的触点,分别设置了多个固定触点金属弹片。五向开关不可以独立存在完成工作,它需要配合PCB线路板或其它来完成工作。

五向轻触开关用途比较广泛的就是游戏手柄上的方向按键,不过现在很多显示器也使用五向开关作为按钮,一是解决了布局的空间外观更好设计一体化,二是少了很多实体键成本也减低了。
常规的轻触开关大多都是只有2个功能,开和关,五向轻触开关给了符合更多应用场景的功能,除了保留原有的按压开关后,还有上下左右等调节功能。五向开关的参考标准有,全回转角度,回转扭力, 轴推拉强度, 输出信号,分解度,耐电压,绝缘抵抗, 寿命等。五向开关的特殊性,可以给很多的新产业产品使用,无人机的手柄等等,同时演化出更多方向应用需求。
颖鑫官方微信
颖鑫电子专业生产:防水轻触开关,带灯轻触开关,硅胶按键开关,耐高温贴片轻触开关,带支架轻触开关,母座,USB连接器