
精益求精 不断超越
微型精密轻触开关生产厂家
专注 轻触开关研发生产 · 16年行业经验
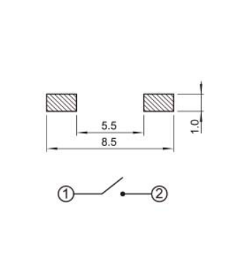
两脚轻触开关是一种常用的电气元件,用于控制电路中的电流和电压。它具有结构简单、体积小、功能强大等特点,广泛应用于家用电器、电脑、通讯设备、汽车电子系统等领域。
两脚轻触开关的接线方式主要有两种,一种是直接接线,另一种是跳线接线。

jc5.c聚彩直接接线是指将开关的两个脚分别接入电路中的正负极,当按动开关时,电流可以流动,从而控制电路中的电压和电流。
跳线接线是指将开关的两个脚分别接入电路中的两个不同点,当按动开关时,电路中的电流可以在这两个点之间跳转,从而控制电路中的电压和电流。
jc5.c聚彩此外,两脚轻触开关还可以用于控制电路中的其他元件,如继电器、晶体管、电阻等。这种接线方式可以使电路更加稳定,并可以提高电路的可靠性。

总的来说,两脚轻触开关的接线方式有两种,即直接接线和跳线接线。这两种接线方式都可以有效地控制电路中的电压和电流,并可以提高电路的可靠性。两脚轻触开关的接线非常简单,只需要将两脚分别接入电路中的正负极或两个不同点即可。因此,两脚轻触开关在家用电器、电脑、通讯设备、汽车电子系统等领域中得到了广泛的应用。
颖鑫官方微信
颖鑫电子专业生产:防水轻触开关,带灯轻触开关,硅胶按键开关,耐高温贴片轻触开关,带支架轻触开关,母座,USB连接器