jc5.c聚彩

采购批发各种规格轻触开关,母座,插座系列.请选择东莞市颖鑫电子科技有限公司.价格优惠.质量稳定

  • 产品名称: YX-H012
  • 发布日期: 2018-12-04
  • 简要说明:
    6*6带支架侧按轻触开关 轻触开关带支架,6*6侧按轻触开关厂家YX-014也叫做:6*6侧按带支架轻触开关_6*6带支架轻触开关_汽车轻触开关YX-012也叫做,侧按带支架轻触开关,产品广泛运用适用
  • 产品详细
6*6轻触开关YX-H012产品简介:
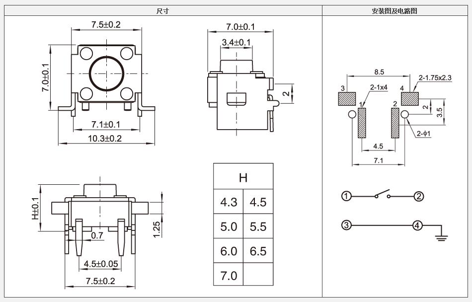
6*6带支架侧按轻触开关 ,尺寸为:长6mm宽6mm高4.2/4.5/5/5.5/6/6.5/7/7.5-15mm,力度有:160克和250克可选择。产品广泛运用适用于电子化的各种音响设备、办公设备、通讯设备、测量仪器、TV、录像机、汽车等各种操作。

特长:
1. 适用高密度安装。
2. 相对线路板,可在水平操作的卧式。
3.高可靠性的接点密封结构。
4.开关产量高标准件,可定制高寿命。

6*6轻触开关YX-H012尺寸图:

6*6轻触开关YX-H012用途:
1.影音产品:MP3、MP4、DVD.音响;
2.数码产品:数码相机、数码摄像机等;
3.遥控器:车辆、点卷门、家庭防盗产品之遥控器;
4.通讯产品:手机、车载话机、电话机、楼宇设备、PDA等;
5.家用电器:电视机、微波炉、电饭煲、电风、电子人体秤、电子脂肪秤、电子厨房秤等;
6.安防产品:可视对讲机、监视器等;
7.玩具:电子玩具等;
8.电脑产品:摄像头、录音笔等;
9.健身器材:跑度机、按摩椅等;
10.医疗器材:血压计、体温计、医院呼叫系统等。
11.其他:验钞笔、雷射笔等;
6*6带支架侧按轻触开关 轻触开关带支架,6*6侧按轻触开关厂家规格书:
轻触开关技术参数:
1.额定负荷: DC 12V 50mA
2.接触电阻: ≤100mΩ
3.绝缘阻抗: ≥100mΩ DC250V
4.使用温度: -25℃+80℃
5.使用湿度: ≤85%RH
6.操作力 :100gf 180gf,250gf
7.行程:0.25±0.1mm
8.使用寿命: 1,000,000 Cycles
6*6带支架侧按轻触开关 轻触开关带支架,6*6侧按轻触开关厂家,如需了解更多规格参数请关注本站:http://yuzhouge.com
相关产品/RELATED PRODUCTS

颖鑫官方微信

电       话:0769-33373777  
传       真:0769-83632283    联 系  人:陈心龙(业务经理)
手       机:13827297626       QQ/微信:435281082   
邮       箱:yingxindg@126.com
地       址:东莞市樟木头镇圩镇荔苑路7号泰安城3栋810室
东莞市颖鑫电子科技有限公司 版权所有 2011-2026

颖鑫电子专业生产:防水轻触开关,带灯轻触开关,硅胶按键开关,耐高温贴片轻触开关,带支架轻触开关,母座,USB连接器